|
|
首頁-水環式真空泵型號-SKF型水環式真空泵SKF型水環式真空泵
SKF型水環式真空泵特點及用途:
SKF型水環式真空泵,是采用酚醛玻璃纖維增強塑料,經高溫高壓模具化成型加工而成,SKF型水環式真空泵具有耐腐蝕范圍廣、體積小、重量輕、結構緊湊、環保節水、高效節能、運行安全可靠,安裝維修方便等優點。可用來抽吸或壓送空氣和其它不含固體顆粒的腐蝕性氣體,吸入的氣體中允許混有少量液體。廣泛應用于機械、石油、化工、制藥、造紙、印染、食品等工業領域。
SKF型水環式真空泵由于在工作過程中,該類真空泵對氣體的壓縮是在等溫狀態下進行的,因此在壓送或抽吸易燃、易爆氣體時不易發生危險,所以其應用更為廣泛。
SKF型水環式真空泵型號意義:

SKF型水環式真空泵技術規格:
| 型號 |
抽氣量m3/min |
極限真空 |
電機功率Kw |
泵轉速r/min |
壓縮機壓力MPa |
吸排氣口徑mm |
| 最大 |
吸入壓力為-450mmHg |
MPa |
mmHg |
真空泵 |
壓縮機 |
|
|
進 |
出 |
| SKF-1 |
1 |
0.9 |
-0.09 |
-675 |
3 |
4 |
1440 |
0-0.1 |
40 |
40 |
| SKF-1.5 |
1.5 |
1.35 |
-0.09 |
-675 |
4 |
5.5 |
1440 |
0-0.1 |
70 |
70 |
| SKF-2 |
2 |
1.8 |
-0.093 |
-700 |
4 |
5.5 |
1440 |
0-0.1 |
70 |
70 |
| SKF-3 |
3 |
2.7 |
-0.093 |
-700 |
5.5 |
7.5 |
1440 |
0-0.1 |
70 |
70 |
| SKF-4 |
4 |
3.6 |
-0.093 |
-700 |
7.5 |
11 |
1440 |
0-0.1 |
70 |
70 |
| SKF-6 |
6 |
5.4 |
-0.093 |
-700 |
11 |
15 |
1440 |
0-0.1 |
80 |
80 |
| SKF-8 |
8 |
7.2 |
-0.093 |
-700 |
15 |
18.5 |
1460 |
0-0.1 |
80 |
80 |
| SKF-10 |
10 |
8.1 |
-0.093 |
-700 |
18.5 |
22 |
1460 |
0-0.1 |
80 |
80 |
| SKF-12 |
12 |
9 |
-0.093 |
-700 |
18.5 |
22 |
1460 |
0-0.1 |
80 |
80 |
| SKF-15 |
12 |
13.5 |
-0.093 |
-700 |
22 |
30 |
1460 |
0-0.1 |
80 |
80 |
注:1、表內數據在下列條件下得出:①水溫15oC;②空氣20oC;③氣體相對濕度70%;④大氣壓力0.1013MPa。2、性能允許偏差±10%
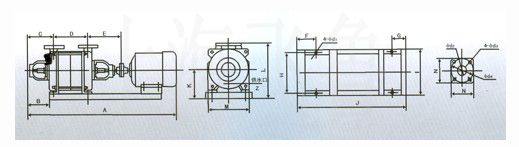
SKF型水環式真空泵外形尺寸:
SKF-1~4外形尺寸安裝圖:
| 型號 |
A |
B |
C |
D |
E |
F |
G |
H |
I |
J |
K |
L |
M |
N |
d1 |
d2 |
d3 |
d4 |
Z |
| SKF-1 |
1030 |
180 |
235 |
160 |
300 |
170 |
130 |
290 |
330 |
785 |
222 |
380 |
260 |
130 |
16 |
70 |
13 |
130 |
G1/2" |
| SKF-1.5 |
1185 |
180 |
770 |
290 |
170 |
130 |
330 |
955 |
222 |
380 |
460 |
160 |
110 |
260 |
16 |
70 |
13 |
130 |
G1/2" |
| SKF-2 |
1300 |
180 |
810 |
290 |
170 |
130 |
330 |
1000 |
222 |
380 |
460 |
160 |
110 |
260 |
16 |
70 |
13 |
130 |
G1/2" |
| SKF-3 |
1340 |
180 |
850 |
290 |
170 |
130 |
330 |
1040 |
222 |
380 |
460 |
160 |
110 |
260 |
16 |
70 |
13 |
130 |
G1/2" |
| SKF-5 |
1590 |
200 |
985 |
410 |
210 |
160 |
460 |
1290 |
318 |
510 |
640 |
160 |
130 |
360 |
16 |
70 |
13 |
130 |
G1/2" |
| SKF-6 |
1690 |
200 |
1045 |
410 |
210 |
160 |
460 |
1350 |
318 |
510 |
640 |
160 |
130 |
360 |
16 |
70 |
13 |
130 |
G1/2" |
| SKF-8 |
1745 |
200 |
1075 |
410 |
280 |
180 |
460 |
1370 |
318 |
510 |
640 |
160 |
130 |
360 |
16 |
70 |
13 |
130 |
G1/2" |
| SKF-12 |
1850 |
200 |
1135 |
410 |
280 |
180 |
460 |
1470 |
318 |
510 |
640 |
160 |
130 |
360 |
16 |
70 |
13 |
130 |
G1/2" |
SKF-6~15外形尺寸安裝圖:
| 型號 |
A |
B |
C |
D |
E |
F |
G |
H |
I |
J |
K |
L |
M |
n |
d1 |
d2 |
d3 |
d4 |
d5 |
S |
z |
| SKF-6 |
1518 |
190 |
400 |
498 |
318 |
720 |
160 |
360 |
210 |
160 |
410 |
460 |
1180 |
4 |
160 |
80 |
130 |
14 |
18 |
8 |
G3/4" |
| SKF-8 |
1593 |
190 |
415 |
513 |
318 |
720 |
160 |
360 |
280 |
160 |
410 |
460 |
1260 |
4 |
185 |
80 |
130 |
18 |
18 |
8 |
G3/4" |
| SKF-10 |
1683 |
190 |
448 |
545 |
318 |
720 |
160 |
360 |
280 |
160 |
410 |
460 |
1340 |
4 |
185 |
80 |
130 |
18 |
18 |
8 |
G3/4" |
| SKF-12 |
1683 |
190 |
448 |
545 |
318 |
720 |
160 |
360 |
280 |
160 |
410 |
460 |
1340 |
4 |
185 |
80 |
130 |
18 |
18 |
8 |
G3/4" |
| SKF-15 |
1740 |
190 |
463 |
560 |
398 |
800 |
160 |
360 |
280 |
180 |
435 |
485 |
1400 |
4 |
185 |
80 |
130 |
18 |
18 |
8 |
G3/4" |
相關產品推薦:
2BEA型水環式真空泵 2SY型水環式真空泵 2SK型水環式真空泵 SZ型水環式真空泵
2SKF型水環式真空泵 |